ЛЮБЫЕ запчасти для компрессоров, генераторов, сварки и промышленного оборудования в наличии и под заказ.
Отправьте запрос на почту info@v-p-k.ru или свяжитесь с нами любым удобным способом - оперативно поможем с поиском нужных запчастей и их оперативной доставкой в любой регион РФ.
Многие запчасти для Компрессоров и Генераторов есть в наличии на наших складах в 20 регионах РФ.
Звоните: +7 (495) 937-37-43
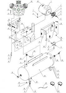
Позиция в деталировке
                                                    —
                                                    
                                                        36                                                    
                                                Производитель
                                                    —
                                                    
                                                        Remeza                                                    
                                                Тип
                                                    —
                                                    
                                                        Поршневой                                                    
                                                
                            По запросу                        
                    
                                        
                                            Под заказ
                                Наши менеджеры обязательно свяжутся с вами и уточнят условия заказа
                                        
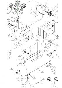
                                    Позиция в деталировке
                                                    —
                                                    
                                                        16                                                    
                                                Производитель
                                                    —
                                                    
                                                        Remeza                                                    
                                                Тип
                                                    —
                                                    
                                                        Поршневой                                                    
                                                
                            По запросу                        
                    
                                        
                                            Под заказ
                                Наши менеджеры обязательно свяжутся с вами и уточнят условия заказа
                                        
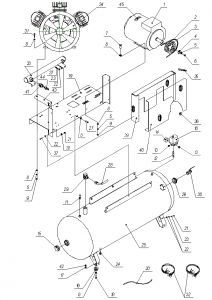
                                    Позиция в деталировке
                                                    —
                                                    
                                                        11                                                    
                                                Производитель
                                                    —
                                                    
                                                        Remeza                                                    
                                                Тип
                                                    —
                                                    
                                                        Поршневой                                                    
                                                
                                        
                                            Под заказ
                                Наши менеджеры обязательно свяжутся с вами и уточнят условия заказа
                                        
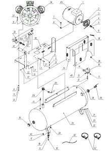
                                    Позиция в деталировке
                                                    —
                                                    
                                                        13                                                    
                                                Производитель
                                                    —
                                                    
                                                        Remeza                                                    
                                                Тип
                                                    —
                                                    
                                                        Поршневой                                                    
                                                
                            По запросу                        
                    
                                        
                                            Под заказ
                                Наши менеджеры обязательно свяжутся с вами и уточнят условия заказа
                                        
                                    Позиция в деталировке
                                                    —
                                                    
                                                        26                                                    
                                                Производитель
                                                    —
                                                    
                                                        Remeza                                                    
                                                Тип
                                                    —
                                                    
                                                        Поршневой                                                    
                                                
                                        
                                            Под заказ
                                Наши менеджеры обязательно свяжутся с вами и уточнят условия заказа
                                        
                                    Позиция в деталировке
                                                    —
                                                    
                                                        12                                                    
                                                Производитель
                                                    —
                                                    
                                                        Remeza                                                    
                                                Тип
                                                    —
                                                    
                                                        Поршневой                                                    
                                                
                            По запросу                        
                    
                                        
                                            Под заказ
                                Наши менеджеры обязательно свяжутся с вами и уточнят условия заказа
                                        
                                    Позиция в деталировке
                                                    —
                                                    
                                                        38                                                    
                                                Производитель
                                                    —
                                                    
                                                        Remeza                                                    
                                                Тип
                                                    —
                                                    
                                                        Поршневой                                                    
                                                
                                        
                                            Под заказ
                                Наши менеджеры обязательно свяжутся с вами и уточнят условия заказа
                                        
                                    Позиция в деталировке
                                                    —
                                                    
                                                        23                                                    
                                                Производитель
                                                    —
                                                    
                                                        Remeza                                                    
                                                Тип
                                                    —
                                                    
                                                        Поршневой                                                    
                                                
                                        
                                            Под заказ
                                Наши менеджеры обязательно свяжутся с вами и уточнят условия заказа
                                        
                                    Позиция в деталировке
                                                    —
                                                    
                                                        22                                                    
                                                Производитель
                                                    —
                                                    
                                                        Remeza                                                    
                                                Тип
                                                    —
                                                    
                                                        Поршневой                                                    
                                                
                                        
                                            Под заказ
                                Наши менеджеры обязательно свяжутся с вами и уточнят условия заказа
                                        
                                    Позиция в деталировке
                                                    —
                                                    
                                                        42                                                    
                                                Производитель
                                                    —
                                                    
                                                        Remeza                                                    
                                                Тип
                                                    —
                                                    
                                                        Поршневой                                                    
                                                
                                        
                                            Под заказ
                                Наши менеджеры обязательно свяжутся с вами и уточнят условия заказа
                                        
                                    Позиция в деталировке
                                                    —
                                                    
                                                        17                                                    
                                                Производитель
                                                    —
                                                    
                                                        Remeza                                                    
                                                Тип
                                                    —
                                                    
                                                        Поршневой                                                    
                                                
                                        
                                            Под заказ
                                Наши менеджеры обязательно свяжутся с вами и уточнят условия заказа
                                        
                                    Позиция в деталировке
                                                    —
                                                    
                                                        5                                                    
                                                Производитель
                                                    —
                                                    
                                                        Remeza                                                    
                                                Тип
                                                    —
                                                    
                                                        Поршневой                                                    
                                                
                                        
                                            Под заказ
                                Наши менеджеры обязательно свяжутся с вами и уточнят условия заказа
                                        
                                    Позиция в деталировке
                                                    —
                                                    
                                                        8                                                    
                                                Производитель
                                                    —
                                                    
                                                        Remeza                                                    
                                                Тип
                                                    —
                                                    
                                                        Поршневой                                                    
                                                
                                        
                                            Под заказ
                                Наши менеджеры обязательно свяжутся с вами и уточнят условия заказа
                                        
                                    Позиция в деталировке
                                                    —
                                                    
                                                        46                                                    
                                                Производитель
                                                    —
                                                    
                                                        Remeza                                                    
                                                Тип
                                                    —
                                                    
                                                        Поршневой                                                    
                                                
                                        
                                            Под заказ
                                Наши менеджеры обязательно свяжутся с вами и уточнят условия заказа
                                        
                                    Позиция в деталировке
                                                    —
                                                    
                                                        44                                                    
                                                Производитель
                                                    —
                                                    
                                                        Remeza                                                    
                                                Тип
                                                    —
                                                    
                                                        Поршневой                                                    
                                                
                                        
                                            Под заказ
                                Наши менеджеры обязательно свяжутся с вами и уточнят условия заказа
                                        
                                    Позиция в деталировке
                                                    —
                                                    
                                                        25                                                    
                                                Производитель
                                                    —
                                                    
                                                        Remeza                                                    
                                                Тип
                                                    —
                                                    
                                                        Поршневой                                                    
                                                
                                        
                                            Под заказ
                                Наши менеджеры обязательно свяжутся с вами и уточнят условия заказа
                                        
                                    Позиция в деталировке
                                                    —
                                                    
                                                        35                                                    
                                                Производитель
                                                    —
                                                    
                                                        Remeza                                                    
                                                Тип
                                                    —
                                                    
                                                        Поршневой                                                    
                                                
                                        
                                            Под заказ
                                Наши менеджеры обязательно свяжутся с вами и уточнят условия заказа
                                        
                                    Позиция в деталировке
                                                    —
                                                    
                                                        32                                                    
                                                Производитель
                                                    —
                                                    
                                                        Remeza                                                    
                                                Тип
                                                    —
                                                    
                                                        Поршневой                                                    
                                                
                                        
                                            Под заказ
                                Наши менеджеры обязательно свяжутся с вами и уточнят условия заказа
                                        
                                    Позиция в деталировке
                                                    —
                                                    
                                                        4                                                    
                                                Производитель
                                                    —
                                                    
                                                        Remeza                                                    
                                                Тип
                                                    —
                                                    
                                                        Поршневой                                                    
                                                
                                        
                                            Под заказ
                                Наши менеджеры обязательно свяжутся с вами и уточнят условия заказа
                                        
                                    Позиция в деталировке
                                                    —
                                                    
                                                        19                                                    
                                                Производитель
                                                    —
                                                    
                                                        Remeza                                                    
                                                Тип
                                                    —
                                                    
                                                        Поршневой                                                    
                                                
                                        
                                            Под заказ
                                Наши менеджеры обязательно свяжутся с вами и уточнят условия заказа
                                        
                                    Позиция в деталировке
                                                    —
                                                    
                                                        34                                                    
                                                Производитель
                                                    —
                                                    
                                                        Remeza                                                    
                                                Тип
                                                    —
                                                    
                                                        Поршневой                                                    
                                                
                                        
                                            Под заказ
                                Наши менеджеры обязательно свяжутся с вами и уточнят условия заказа
                                        
                                    Позиция в деталировке
                                                    —
                                                    
                                                        40                                                    
                                                Производитель
                                                    —
                                                    
                                                        Remeza                                                    
                                                Тип
                                                    —
                                                    
                                                        Поршневой                                                    
                                                
                                        
                                            Под заказ
                                Наши менеджеры обязательно свяжутся с вами и уточнят условия заказа
                                        
                                    Позиция в деталировке
                                                    —
                                                    
                                                        30                                                    
                                                Производитель
                                                    —
                                                    
                                                        Remeza                                                    
                                                Тип
                                                    —
                                                    
                                                        Поршневой                                                    
                                                
                                        
                                            Под заказ
                                Наши менеджеры обязательно свяжутся с вами и уточнят условия заказа
                                        
                                    Позиция в деталировке
                                                    —
                                                    
                                                        45                                                    
                                                Производитель
                                                    —
                                                    
                                                        Remeza                                                    
                                                Тип
                                                    —
                                                    
                                                        Поршневой                                                    
                                                
                                        
                                            Под заказ
                                Наши менеджеры обязательно свяжутся с вами и уточнят условия заказа
                                        
                                    Позиция в деталировке
                                                    —
                                                    
                                                        47                                                    
                                                Производитель
                                                    —
                                                    
                                                        Remeza                                                    
                                                Тип
                                                    —
                                                    
                                                        Поршневой                                                    
                                                
                                        
                                            Под заказ
                                Наши менеджеры обязательно свяжутся с вами и уточнят условия заказа
                                        
                                    Позиция в деталировке
                                                    —
                                                    
                                                        15                                                    
                                                Производитель
                                                    —
                                                    
                                                        Remeza                                                    
                                                Тип
                                                    —
                                                    
                                                        Поршневой                                                    
                                                
                                        
                                            Под заказ
                                Наши менеджеры обязательно свяжутся с вами и уточнят условия заказа
                                        
                                    Позиция в деталировке
                                                    —
                                                    
                                                        21                                                    
                                                Производитель
                                                    —
                                                    
                                                        Remeza                                                    
                                                Тип
                                                    —
                                                    
                                                        Поршневой                                                    
                                                
                                        
                                            Под заказ
                                Наши менеджеры обязательно свяжутся с вами и уточнят условия заказа
                                        
                                    Позиция в деталировке
                                                    —
                                                    
                                                        43                                                    
                                                Производитель
                                                    —
                                                    
                                                        Remeza                                                    
                                                Тип
                                                    —
                                                    
                                                        Поршневой                                                    
                                                
                                        
                                            Под заказ
                                Наши менеджеры обязательно свяжутся с вами и уточнят условия заказа
                                        
                                    Позиция в деталировке
                                                    —
                                                    
                                                        9                                                    
                                                Производитель
                                                    —
                                                    
                                                        Remeza                                                    
                                                Тип
                                                    —
                                                    
                                                        Поршневой                                                    
                                                
                                        
                                            Под заказ
                                Наши менеджеры обязательно свяжутся с вами и уточнят условия заказа
                                        
                                    Позиция в деталировке
                                                    —
                                                    
                                                        37                                                    
                                                Производитель
                                                    —
                                                    
                                                        Remeza                                                    
                                                Тип
                                                    —
                                                    
                                                        Поршневой                                                    
                                                
                                        
                                            Под заказ
                                Наши менеджеры обязательно свяжутся с вами и уточнят условия заказа
                                        
                                    Позиция в деталировке
                                                    —
                                                    
                                                        31                                                    
                                                Производитель
                                                    —
                                                    
                                                        Remeza                                                    
                                                Тип
                                                    —
                                                    
                                                        Поршневой                                                    
                                                
                                        
                                            Под заказ
                                Наши менеджеры обязательно свяжутся с вами и уточнят условия заказа
                                        
                                    Позиция в деталировке
                                                    —
                                                    
                                                        41                                                    
                                                Производитель
                                                    —
                                                    
                                                        Remeza                                                    
                                                Тип
                                                    —
                                                    
                                                        Поршневой                                                    
                                                
                                        
                                            Под заказ
                                Наши менеджеры обязательно свяжутся с вами и уточнят условия заказа
                                        
                                    
 
                                                        


 
                                     
                                     
                                     
                                     
                                     
                                     
                                     
                                     
                                     
                                     
                                     
                                     
                                     
                                     
                                     
                                     
                                     
                                     
                                     
                                     
                                     
                                     
                                     
                                     
                                     
                                     
                                     
                                     
                                     
                                     
                                     
                                    